thumb

Edible Oil Refining Plant Manufacturer, Oil Refining Equipment Supplier, Vegetable Oil Refining Machine, Edible Oil Processing Plant, Oil Refining Plant Exporter, Cooking Oil Refining Machinery, Industrial Oil Refining Systems

At Sharp Separation Technologies, we are proud to be a leading manufacturer of edible oil refining plants in India, delivering advanced solutions for producing high-quality finished oil. Our technology is designed to consistently achieve excellent results, regardless of the feedstock’s origin.


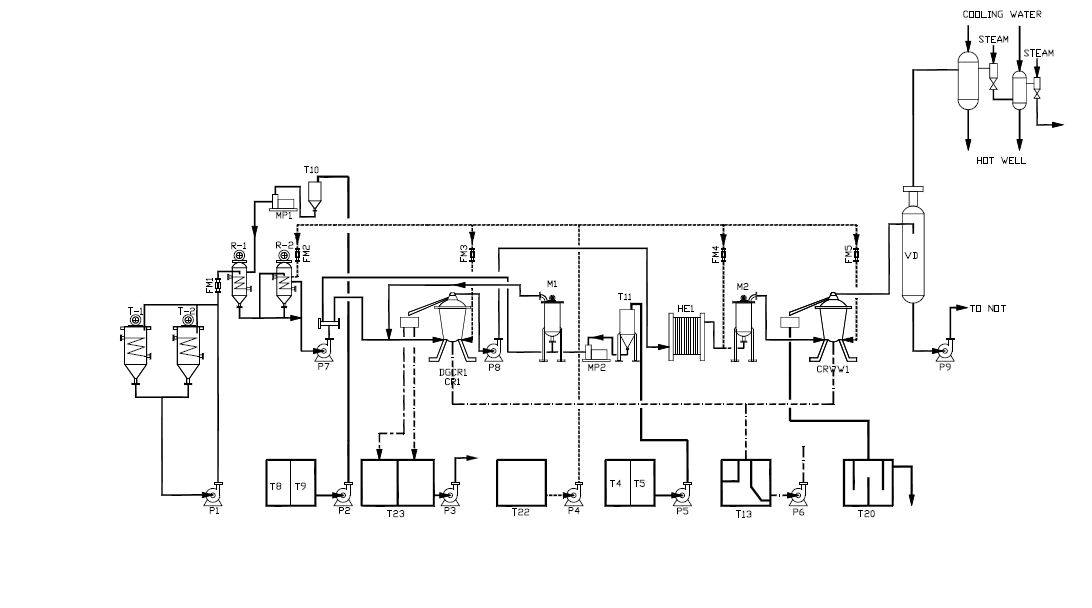
Our complete refining process, following initial de-gumming, involves three fundamental steps:


Neutralization:


Phosphoric Acid Conditioning: In this step, we introduce phosphoric acid into the oil using a knife mixer, converting water-insoluble phosphatides into hydrophilic compounds.


Caustic Treatment: The oil is then treated with caustic soda, which not only neutralizes free fatty acids but also decomposes pigments and traps various impurities, including phosphorus compounds, trace metals, proteins, and oxidizing materials.


Centrifugal Separation: The resulting soap stock, which contains these impurities, is efficiently removed using our state-of-the-art centrifugal technology. A subsequent washing step with water ensures further purification, followed by additional separation in our high-performance centrifuges.


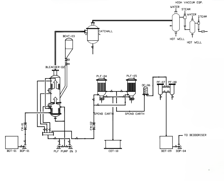
Bleaching:
The neutralized oil is then subjected to bleaching, where it is treated with premium-quality bleaching earth. This step is vital for adsorbing pigments, decomposing remaining oxidation products, and removing residual soaps and phosphatides, ensuring the oil's superior color and stability.

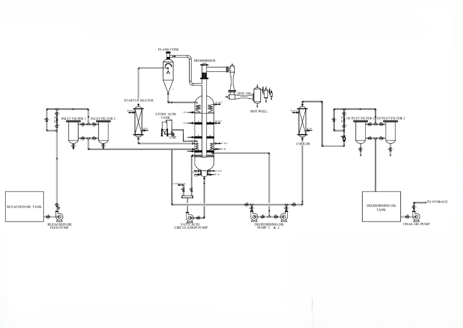
Deodorization:
In the final stage, our advanced deodorization process heats the oil under high vacuum and utilizes stripping steam to eliminate volatile substances such as fatty acids, aldehydes, ketones, and hydrocarbons. This process enhances the flavor, stability, and overall quality of the oil.

Our edible oil refining plants are engineered to deliver oil of the highest quality, meeting the stringent standards of the industry and ensuring consistent performance.

Bleaching:
The neutralized oil is then subjected to bleaching, where it is treated with premium-quality bleaching earth. This step is vital for adsorbing pigments, decomposing remaining oxidation products, and removing residual soaps and phosphatides, ensuring the oil's superior color and stability.

Deodorization:
In the final stage, our advanced deodorization process heats the oil under high vacuum and utilizes stripping steam to eliminate volatile substances such as fatty acids, aldehydes, ketones, and hydrocarbons. This process enhances the flavor, stability, and overall quality of the oil.


Our edible oil refining plants are engineered to deliver oil of the highest quality, meeting the stringent standards of the industry and ensuring consistent performance.

Why choose Sharp Separation Technologies?

Choosing Sharp Separation Technologies for your Edible Oil Refining Plant needs offers several distinct advantages:


Proven Expertise: With years of experience in the industry, Sharp Separation Technologies has established itself as a leader in the manufacturing of edible oil refining plants. Our deep industry knowledge and technical expertise ensure that we deliver solutions that meet the highest standards.


Advanced Technology: We utilize cutting-edge technology in our refining plants, ensuring efficient processing, consistent quality, and optimal performance. Our equipment is designed to handle various types of feedstock, providing flexibility and reliability.


Custom Solutions: We understan that every client has unique requirements. That’s why we offer customized solutions tailored to your specific needs. Whether it’s a small-scale plant or a large industrial setup, we design our systems to fit your operational goals.


Quality Assurance: Quality is at the core of everything we do. Our plants are built using high-quality materials and components, ensuring durability and long-term performance. We adhere to strict quality control measures throughout the manufacturing process.


Comprehensive Support: We provide end-to-end support, from initial consultation and plant design to installation, commissioning, and after-sales service. Our team of experts is always available to offer guidance and resolve any issues, ensuring the smooth operation of your refining plant.


Energy Efficiency: Our refining plants are designed with energy efficiency in mind, helping you reduce operational costs while maintaining high production standards. We focus on minimizing energy consumption without compromising on performance.


Global Reach: As a leading manufacturer in India, we have successfully served clients worldwide. Our reputation for delivering reliable, high-performance refining plants has earned us the trust of customers across various regions.


Innovation and Continuous Improvement: We are committed to innovation and continuous improvement. By staying ahead of industry trends and advancements, we ensure that our products remain at the forefront of technology, offering you the best solutions available.


By choosing Sharp Separation Technologies, you are partnering with a company dedicated to excellence, innovation, and customer satisfaction, making us the ideal choice for your edible oil refining plant needs.